Центробежный вентилятор Ebmpapst G3G160CU0911
0,00 ₽
Описание вентилятора Ebmpapst G3G160CU0911
Центробежный радиальный вентилятор является эффективным решением для вентиляции приточного и вытяжного типа, кондиционирования офисных зданий, промышленных объектов и жилых домов.
Особенности конструкции
Вентилятор Ebmpapst G3G160CU0911 включает в состав электродвигатель, вал, рабочее колесо с лопастями назад загнутого типа. Специально разработанная конструкция позволяет обойтись без кожуха, получить максимально высокий КПД, создавая высокое давление воздушного потока и избегая потерь.
Основные характеристики:
- монтажное положение: вертикальное, горизонтальное, наклонное;
- интегрированная электроника управления;
- есть отверстие для слива конденсата.
Может работать в автономном режиме, а также в составе автоматизированной системы, совместно с датчиками и настройкой обратной связи, единым центром управления, автоматическим регулированием и подстройкой.
Преимущества выбора
- энергоэффективность;
- применение запатентованной технологии GreenTech EC;
- низкий уровень шума;
- небольшой собственный вес.
Вентилятор Ebmpapst G3G160CU0911 поставляется в полностью готовом к монтажу и эксплуатации виде. В комплектацию входит руководство пользователя и монтажная схема. Специального технического обслуживания не требует, за исключением очистки от пыли и загрязнений, частота которой зависит от качества воздуха и режимов эксплуатации.
Технические характеристики
|
Модель |
G3G160-CU09-11 |
| Тип тока | EC |
| Минимальная температура окружающей среды, °C | -25 |
| Максимальная температура окружающей среды, °C | 50 |
| Класс защиты от влаги (F) / класс защиты окружающей среды | H1+ CAT |
| Максимально допустимая темп. окружающей среды, °C | +80 |
| Минимально допустимая темп. окружающей среды, °C | -40 |
| Количество фаз | 1 |
| Номинальное напряжение, В | 230 |
| Скорость вращения, об/мин | 2100 |
| Входная мощность, кВт | 0,17 |
| Потребляемый ток, А | 1,35 |
| Степень защиты | IP54 |
| Диаметр крыльчатки, мм | 160 |
| Вес, кг | 3 |
Аэродинамические характеристики

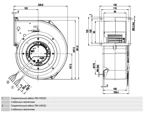
Габаритные размеры

