Центробежный вентилятор Ebmpapst R2E250AL0516
67494,00 ₽
Описание вентилятора Ebmpapst R2E250AL0516
Центробежный радиальный вентилятор является эффективным решением для вентиляции приточного и вытяжного типа, кондиционирования офисных зданий, промышленных объектов и жилых домов.
Особенности конструкции
Вентилятор Ebmpapst R2E250AL0516 включает в состав электродвигатель, вал, рабочее колесо с лопастями назад загнутого типа. Специально разработанная конструкция позволяет обойтись без кожуха, получить максимально высокий КПД, создавая высокое давление воздушного потока и избегая потерь.
Основные характеристики:
- монтажное положение: вертикальное, горизонтальное, наклонное;
- интегрированная электроника управления;
- есть отверстие для слива конденсата.
Может работать в автономном режиме, а также в составе автоматизированной системы, совместно с датчиками и настройкой обратной связи, единым центром управления, автоматическим регулированием и подстройкой.
Преимущества выбора
- энергоэффективность;
- применение запатентованной технологии GreenTech EC;
- низкий уровень шума;
- небольшой собственный вес.
Вентилятор Ebmpapst R2E250AL0516 поставляется в полностью готовом к монтажу и эксплуатации виде. В комплектацию входит руководство пользователя и монтажная схема. Специального технического обслуживания не требует, за исключением очистки от пыли и загрязнений, частота которой зависит от качества воздуха и режимов эксплуатации.
Технические характеристики
| Модель | R2E250-AL05-16 |
| Тип тока | AC |
| Номинальное напряжение, В | 230 |
| Скорость вращения, об/мин | 3000 |
| Входная мощность, кВт | 0,295 |
| Потребляемый ток, А | 1,3 |
| Степень защиты | IP00 |
| Диаметр крыльчатки, мм | 250 |
| Вес, кг | 4 |
Аэродинамические характеристики

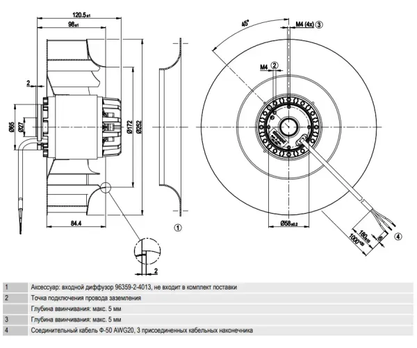
Габаритные размеры

