Главная страница » Магазин » Вентилятор G2E140-DI52-01 / G2E140DI5201 центробежный Ebmpapst
Вентилятор G2E140-DI52-01 / G2E140DI5201 центробежный Ebmpapst
27902,00 ₽
Артикул:
G2E140-DI52-01
Категория: Радиальные AC
Описание
Центробежный вентилятор G2E140-DI52-01 Ebmpapst АС
Радиальный (центробежный) вентилятор G2E140-DI52-01 Ebmpapst предназначен для работы с большими объемами воздуха.
Конструкция радиального вентилятора G2E140-DI52-01 Ebmpapst
Центробежный радиальный вентилятор имеет простую конструкцию:
- корпус;
- колесо с лопатками;
- электродвигатель AC.
Расшифровка наименования модели G2E140-DI52-01 вентилятора Ebmpapst

Применение
Вентилятор G2E140-DI52-01 Ebmpapst радиального типа применяется в:
- противопожарных системах зданий;
- системах вентиляции, кондиционирования;
- охлаждающем или отопительном оборудовании;
- сушильных камерах;
- бытовых приборах;
- покрасочных боксах;
- на складах.
Преимущества G2E140-DI52-01 Ebmpapst
- удобная установка и монтаж;
- низкий уровень энергопотребления;
- высокие показатели производительности;
- защита от перегрузок;
- уровень шума, не превышающий нормы;
- безопасность использования.
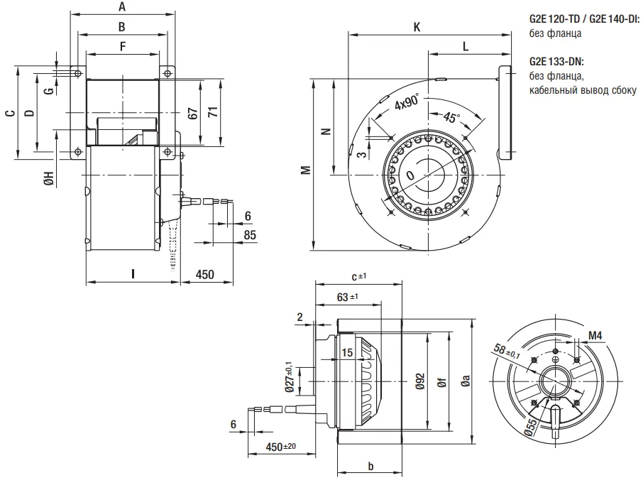
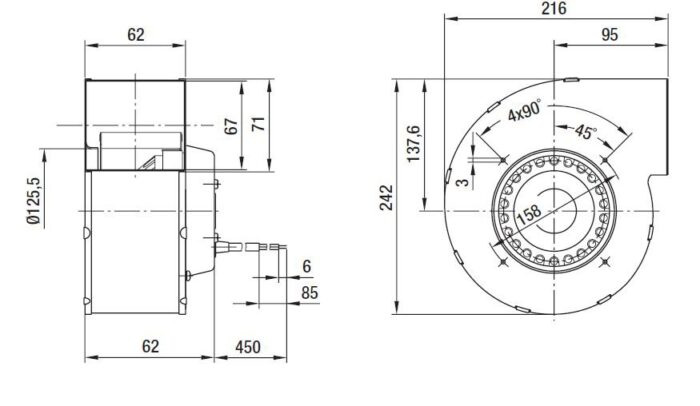
Габаритные размеры

Аэродинамические характеристики

