Вентилятор R2E220-AB06-84 / R2E220AB0684 центробежный Ebmpapst
14605,00 ₽
Описание центробежного вентилятора R2E220-AB06-84
Радиальный (центробежный) вентилятор R2E220-AB06-84 бренда Ebmpapst имеет компоновку с наружным ротором, установленным в рабочее колесо. Данная модель производится в спиралевидном корпусе «улитка» с загнутыми назад лопатками. При такой конструкции лопасти как бы «гладят» воздух, что значительно снижает уровень шума работающего вентилятора, но уменьшается динамический напор воздуха.
Принцип работы
Принцип работы центробежного вентилятора R2E220-AB06-84 Ebmpapst очень прост. Воздух всасывается через входное отверстие, затем поток воздуха попадает в пространство между изогнутыми лопатками рабочего колеса, которое вращается в спиральном корпусе и под воздействием создаваемой центробежной силы направляется в выходное отверстие.
Конструкция радиальных вентиляторов
- рабочее колесо с изогнутыми назад лопатками;
- двигатель AC переменного тока;
- спиральный корпус.
Области применения
Используется радиальный вентилятор R2E220-AB06-84 в системах вентиляции разных типов. Также он может применятся:
- в системах отопления и обогрева;
- в системах вентиляции жилых, коммерческих и промышленных объектов;
- в системах приточной и вытяжной вентиляции на вредных и опасных производствах.
Преимущества вентилятора Ebmpapst
Центробежный вентилятор Ebmpapst имеет следующие отличительные особенности:
- высокое качество сборки;
- большой рабочий ресурс;
- максимальная энергетическая эффективность;
- простота монтажа и обслуживания.
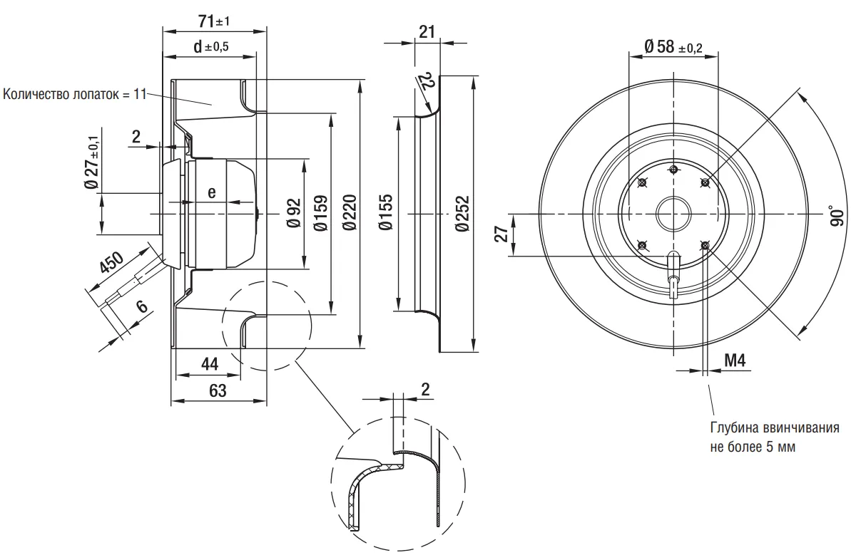
Габаритные размеры

Аэродинамические характеристики

