Главная страница » Магазин » Вентилятор R4E310-AR06-01 / R4E310AR0601 центробежный Ebmpapst
Вентилятор R4E310-AR06-01 / R4E310AR0601 центробежный Ebmpapst
35394,00 ₽
Артикул:
R4E310-AR06-01
Категория: Радиальные AC
Описание
Центробежный вентилятор R4E310-AR06-01 Ebmpapst АС
Радиальный (центробежный) вентилятор R4E310-AR06-01 Ebmpapst предназначен для работы с большими объемами воздуха.
Конструкция радиального вентилятора R4E310-AR06-01 Ebmpapst
Центробежный радиальный вентилятор имеет простую конструкцию:
- колесо с лопатками;
- электродвигатель AC.
Расшифровка наименования модели R4E310-AR06-01 вентилятора Ebmpapst

Применение
Вентилятор R4E310-AR06-01 Ebmpapst радиального типа применяется в:
- противопожарных системах зданий;
- системах вентиляции, кондиционирования;
- охлаждающем или отопительном оборудовании;
- сушильных камерах;
- бытовых приборах;
- покрасочных боксах;
- на складах.
Преимущества R4E310-AR06-01 Ebmpapst
- удобная установка и монтаж;
- низкий уровень энергопотребления;
- высокие показатели производительности;
- защита от перегрузок;
- уровень шума, не превышающий нормы;
- безопасность использования.
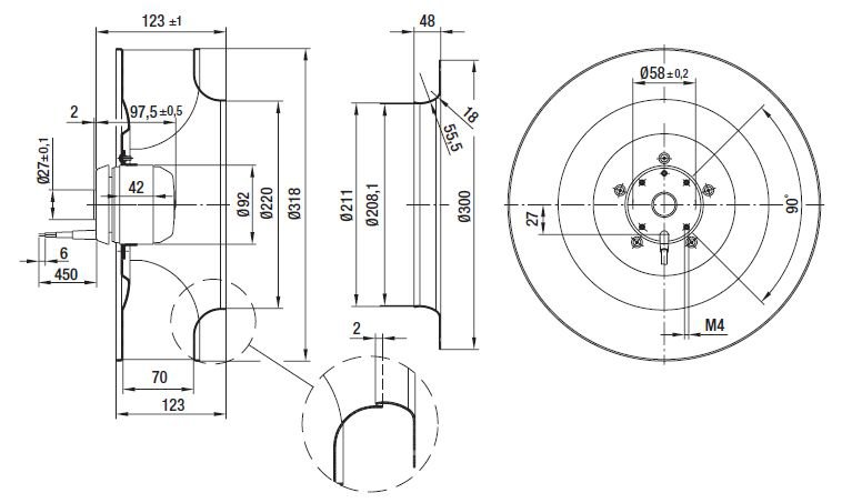
Габаритные размеры

Аэродинамические характеристики

